Controlling bore pump with tank level input

Hey, I’m just getting into home automation using Home Assistant. My first project is to make my water system a bit smarter.

I have a rural property where a water tank is filled by a bore pump. There’s a float switch in the tank which turns power on and off to the bore pump. There’s also an irrigation controller at the bore pump location which turns on daily. Essentially, if the water in the tank drops, the bore pump switches on to fill it.

I’d like to control what times of day the pump switches on, or trigger it with other inputs in the system such as solar power generation level. I’d like to add some weather smarts into the solenoid too. I purchased one of these from alibaba, which I’m assuming can switch the solenoid on/off with a 24v line, and the bore pump on/off with the 240v line. What I’m wondering is how to integrate the bore pump switch into HA so I have a “tank full/not full” message if the circuit is open/closed. I guess I could include it in the bore pump switch, but that wouldn’t provide any message to HA about the tank status.

Any ideas?

There are quite a few threads about water tank level monitoring in this forum. I.e. THIS

Hi Tamsy, thanks for your suggestion. I already have a tank level switch (a float in the tank), I’d like to use the existing switch state to control the pump.
ie: tank switch is on = activate power to pump.

Sorry if this seems quite basic, I’m just getting started.

A Shelly Uni or a esp32 will do this. And some relays

1 Like

Thanks that diagram helps. So the float relay switches a low current to the Shelly Uni, then the Uni sends the state to HA which decides on whether to send a low voltage to the pump/solenoid relays.

(apologies again for the simple question, I’m really just getting started)

I bought a bunch of these: https://www.aliexpress.com/item/1005003823842285.html?spm=a2g0o.order_list.order_list_main.5.21ef1802BD9A1R
and a Shelley Uni Shelly Plus Uni, Smart home Automation Australia

That should be fine,

With the float switch, you want to trigger the relay coil. I’m guessing your float switch will be closed going open so drive either the relay negative or positive of the coil through the float switch.

Other side of the relay NC or NO (test) will go directly to the Shelly uni input, take it low to GND

If driving 240VAC gear make sure you don’t exceed the relay current ratings

Ok that’s really helpful, thanks

The relay should be fine: Maximum load: AC 250V/10A

It’s for resistive load.
What’s the rating of your pump?
Also, consider of adding RC-snubber across the pump. Shelly offers them too.

For the bore pump, the inrush current for this motor on startup is 37.7 amps @ 230 V AC
The P1 power = 950 watts
Name plate Current draw is 6.5 amps.

Do you think I should go back to alibaba for a highler load relay?

Like you see, there is huge inrush current every time you start the pump. And it’s going to eventually weld relay contacts together.
You should look for contactor instead of relay. Something that is rated for inductive load.
If you “need” to go with alibaba relay, look for the 30A model.

I have one of these from an old project, but I think it’s a bit underpowered. Thanks for your help, I’ll grab a chunkier model.

That would be good.

If I’m not mistaken, it’s underpowered for the inrush current. AC-3 (single-phase) rating of CA7-9-10: 13A–15A. So unless I added an inrush limiter or soft starter, a contactor with a 15A–20A AC-3 single-phase rating would be better. Does this make sense?

Yes it makes.
I’m not pro of this field, but I expect that contactor rated for motors x amps / watts is for nominal power and counts that there is higher peak.

Hey, just following up on this. The plan was reasonably successful using the shelly uni, a pressure gauge in the pipe, a contactor, and a relay for the solenoid.

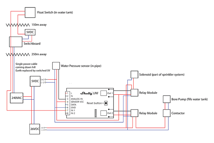
There is one small issue I’m hoping someone can advise on. The two float switch wires lead to a remote switchboard (~200m from the shelly), which then turns on & off the 240v power where the shelly is installed. The obvious issue is, the power to the shelly turns off when the tank is full. I’m using HA to switch off the pump when the pressure sensor reaches a certain voltage (before the float switch cuts off power), however I’m finding the voltage vs the tank height to be quite inconsistent. I can’t easily run a new cable from the switchboard to the shelly, so would it be possible to use the ground wire of my existing power line to run a single line low voltage current switched by the float switch, leading to the binary input 1 (#7) on the shelly. That way the selly will know if the tank is actually full without power turning off.

EDIT: I should note that I’d be installing a new grounding rod at the Shelly location, not leaving the whole thing ungrounded.


Your wiring “scheme” is not clear to me. How is shelly powered? How is solenoid powered? Where is the pressure sensor?

Be aware: Shelly Uni and Shelly Uni Plus have significantly different wiring diagram. Which one you have?

Sorry my drawing is pretty basic, here’s a more detailed version. Please excuse the cleanliness of it, I’m not great at electrical drawings. I have the Shelly Uni Plus. Currently the 240VAC is switched by the float switch. I’d like to use the earth wire of the existing cable to carry a 5V signal through the float switch and back to the shelly to hopefully indicate if the tank is full. Note that I haven’t included the new earth rod which would need to be installed at the bore.

So update your wiring for that, the whole circuit is different on Uni plus.

You need to power shelly on +5V pin, not sensor VCC. IN inputs have to be on Shelly GND (different from Shelly Uni).

That extra wire to float switch from separate 5V supply can’t work without common GND with Shelly.
The only way to wire this without additional wire is: Float switch switches 240VAC, then next to AC power supply you add 240VAC relay triggered by the float switch. Relay “output” switches Shelly GND (5V power supply negative) to Shelly IN.

Yes sorry, you’re right I used the shelly uni drawing, not the plus. I have the 5V on #6 and it’s working fine.

Ok thanks, I was hoping it didn’t need a common ground. Unfortunately the only power supply to the pumphouse is the three wires coming down from the switchboard, which are powering the shelly (and everything else). If the float switch triggers the 240V, everything turns off (this is how I currently have it set up). Sounds like I need a new cable to make this work.