Some of the 5 output pins of the voltage regulator were at 2.9V and others at 0V, so I assume those were the output pins.
Anyways, I messed up that ESP32-C6 board in the process of trying to remove the LDO. First time using a hot air gun, lessons learned.
Luckily, I have another, extremely similar ESP32-H2 SuperMini board:
So I hooked up the battery at 3.3V to the board’s 3v3 pin, but the board still didn’t power on. I checked the voltages:
- At the leads of the LDO: 3.3V
- At the TX/RX pins: 3.3V
- At the power supply pins (VDD3P3 pins) of the chip (the QFN package): 3.3V
- At the CHIP_EN pin of the chip: 3.3V
To make sure I didn’t mess up the board somehow, I loaded up an ESPHome script and the board is perfectly working.
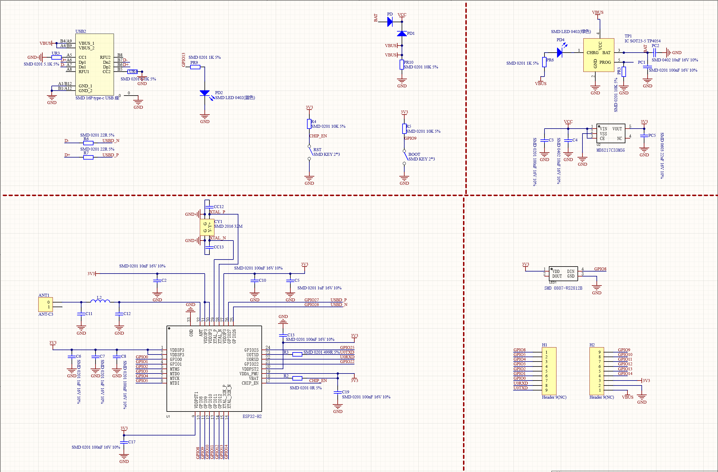
Here’s the schematic of my exact board:
Hopefully somebody good at electronics can chime in, otherwise at this point I might give up the dream of Thread-powered ESPHome devices with year-long battery life.

