Sonoff MINI-ZBDIM Relay in 3-way Lighting

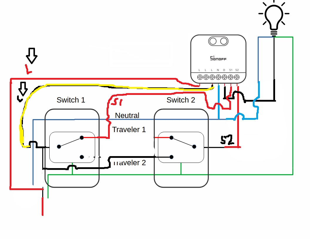
I’m looking at possibly getting some of the MINI-ZBDIM relays and trying to figure out if they support US 3-way switching. When asking google, searching this community, and the various AIs they all says it is possible with this relay. However when looking at the manual they show method that uses 2 switches but they are not 3-way. I’m not certain in the standard 3-way configuration like I have in this picture I would change the wiring to support my desired configuration.

I used blue as neutral for obvious reasons.


Does anyone know how I could use my existing wiring to use the MINI-ZBDIM? If it is not supported, that is ok as well and I can just switch to ZBMINIR2 without dimming and get lights that are not as bright. Was hoping to be able to have the lights at different brightness levels depending on the time of day/night.

Thanks in advance for any help that can be provided.

I think I may be screwed as the line in and load out are in opposite switch boxes and I have no way to get the line in passed over to the switch box the the load out to the light is in. This is based on each of the Sonoff wiring diagrams I’ve been going through. Every way I look at it I would need a fifth wire running between the 2 switch boxes.

That is unless I am missing something and someone else knows how to do it. If so, I am all eyes and ears to learn.

Do you have another outlet or switch next to the switch 2 so you can just borrow the live wire from there?
And it looks like you need 2 more cables going to switch 2 (Live in & L)

Unfortunately I don’t have another way to get a live wire there. I took a look even in the basement, and I don’t have anything close by I could bring up into the box. I’ll double check that I can’t get something live up there from the basement.

I also as a last ditch effort if I didn’t hear anything back on here, messaged Sonoff support if they had any ideas. Chances are they will come back with what you did @ferbulous.

Heard back from Sonoff and they had the same suggestion of needing a live wire added to the second switch box. I am going to see if there is any way I can get one up into there.

Guess I may be finally getting my fish tape I’ve been meaning to buy for a few years. Somehow managed to not need it till this point.

Can you use the MINI-ZBDIM in the US? I thought it was restricted to 220–240V only