Visonic Powermax and Powermaster Integration

I just updated to 0.12.5.2. After the update, it restarted after an unusual amount of time (Disconnection Count: 3) and reported the prior version (Client Version: 0.12.5.1).

I performed a second restart and it started more quickly (Disconnection Count: 2), reporting the correct version.

FYI, I have a PowerMaster 10.

Thank you, thats massively helpful, based on this diagram my connection are correct and once i setup the integration i see the below in my esp logs

[08:43:41.324][D][uart_debug:113]: >>> 0D:0B:F4:0A
[08:43:42.816][D][uart_debug:113]: >>> 0D:24:00:00:56:50:00:00:00:00:00:00:35:0A
[08:43:47.827][D][uart_debug:113]: >>> 0D:0F:F0:0A
[08:43:49.319][D][uart_debug:113]: >>> 0D:0B:F4:0A
[08:43:50.828][D][uart_debug:113]: >>> 0D:24:00:00:56:50:00:00:00:00:00:00:35:0A
[08:43:55.839][D][uart_debug:113]: >>> 0D:0F:F0:0A
[08:43:57.348][D][uart_debug:113]: >>> 0D:0B:F4:0A
[08:43:58.840][D][uart_debug:113]: >>> 0D:24:00:00:56:50:00:00:00:00:00:00:35:0A
[08:44:01.742][D][stream_server:093]: New client connected from 19
[08:44:02.749][D][stream_server:175]: Client 19 disconnected
[08:44:03.859][D][uart_debug:113]: >>> 0D:0F:F0:0A
[08:44:05.351][D][uart_debug:113]: >>> 0D:0B:F4:0A

As far as i understand this has to do with enabling powerlink / bba option on the panel itself.

has anyone else had to do this as well?

It sounds like you’ve had a partial upgrade, some of the files have taken a while to become available and restarted too early. Do you use HACS as I’ve found this problem myself? Is it working OK now? What happens if you restart it again?

EDIT: Thinking about it a bit more, to make sure I’d clear out the files in the visonic directory and make sure that the new version files are put there.

That’s still not working, that debug is showing:

  • That the integration is trying to setup communication with the panel (the 3 messages are Stop, Exit and Get Panel Data)
  • That it’s failing and retrying, it’s already up to19 retries.

You still do not have Rx and Tx connected correctly, are you crossing-over Tx and Rx for example, Rx on the ESP32 goes to Tx on the panel and vice-versa

1 Like

on the back of my esp it says tx is yellow , rx is white and black is ground . I connected to the panel based on this and the diagram posted above

so tx(yellow) on esp → rx on panel
so rx(white) on esp → tx on panel

black ground → panel ground

I heard that there may be an option that needs to be enabled in the panel installer options ? powerlink/bba could this be the reason the connection attempts by the integration are being rejected?

A couple of observations…

It looks like it’s wired correctly, the only thing I’d try is moving the black ground to the other ground pin, next to the current white so all 3 wires are in a row. I don’t think it will make a difference but you never know

For a PowerMaster 10 you do not need to change any setting in the panel. You would only need to do something for early PowerMax panels.

The problem could be about voltage levels, @pocket knows more about this. The panels voltage levels for the RS232 is 3.75v (I think), your ESP32 is probably TTL 5v levels. You might need a voltage level shifter putting in. These are fairly cheap to buy, a couple of pounds/dollars, but to wire them you’ll need a voltage supply from each side i.e. the voltage from the panel connector is easy but you’ll need the 5v voltagesupply from your ESP32 device, this might be more tricky. Like I said @pocket will know more about this kind of thing.

EDIT: here on my wiki

1 Like

just so we’re on the same page this is the guide i ve been using in the wiki, bought the parts listed here

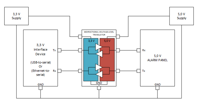
It looks like there are 5 and 3.3 voltages are available, but I need to dig a little deeper into the M5Stack schematic. What’s clear in the specifications is the Tx and Rx signals are at 3.3 volts.

This is the basic idea for translating the voltage levels. There are modules available to do this:

I’ll try to spend some time with it over the next day, or so. In the interim, find a local source for the level translator.

Edit: Since there are only two lines needing translation, look for a module that only has two translators. A quad translator will work fine, but the inputs of the spare I/Os might need to be grounded to avoid the extra currents a floating inputs will create.

1 Like

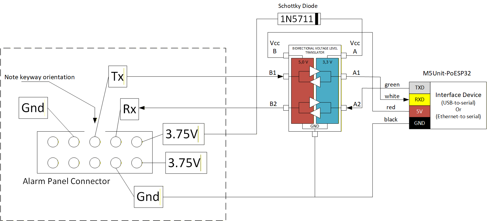
Here’s what I suggest. It’s a best-effort approach to the assumption that your problem is due to different logic levels. The design is partially based on an observation of the alarm panel having pins that provide 3.75 volts. The Schottky diode forward voltage is enough to bring the output close to 3.3 volts. The ESP32 box has a 5 V output on the UART connector.

The approach is based upon a part type (Texas Instrument TXB series) using very little current. I’m assuming both the ESP and the alarm panels supplies can handle the task. Like most similar devices it uses CMOS technology and is sensitive to electrostatic discharge. I use a wrist strap connected to a local ground.

You should check to see pins shown provide 3.75 volts on your alarm panel. If it doesn’t, you can use a LDO analog regulator for the 3.3 volts. You might also look for a small project box to house the translator and diode if it doesn’t comfortably fit in the alarm panel.

Edit: Corrected paths for A1 and A2 with the interface device.

1 Like

i see, thank you very much for looking into this.

If you saw my original post, you might as well disregard it. I’ve reverted back to Core 2026.2.3 and Supervisor 2026.02.3, then created a fresh download from HACS. Here are my observations:

It takes 3 minutes for entities to populate, with Disconnection Count: 2.

Attribute Client Version: 0.12.5.2 is reported, but Version 0.12.5.1 appears in the integration dashboard.

Am I doing something wrong? Is there still a chance ‘invalid handler specified’ will be reported on new downloads with Core 2026.3?

Edit: Added Dropbox link:
Log capture