Hello, I want to integrate an old Weatherstation. Windspeed , rain-Counter. Temperature. Using an ESPHome integration, esp8622 .
I goggled a lot, but I do not find the esphome code. Especially for wind and rain.
Can anybody help me with a link or the esphome ode.
Thanks Frank
What sensors are connected to the ESP8266?
Any specific brand/model, or are you using generic parts?
Wind and rain often use a switch closure to measure/sense an unit of speed/volume.
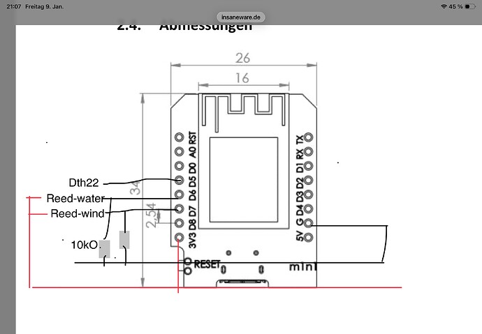
For temp I will use dht22 that I will find.
Main issue is wind speed and rain, which will probably get a simple switch.
Are you going to build your own tilt bucket for the rain sensor, or use an existing one?
How about your anemometer? A reed switch, or hall effect device to measure rotation speed?
Good question, i come back when i disassembled it.
I will use an existing one,
Thanks so far IoT
Lots of clear detailed photos could make things a lot easier. If somebody has already done the hard work putting it into an enclosure, etc, you may be able to save a lot of time.
What make and model is it? Any labels or FCC IDs on it?
Is it currently fully operational?
Remember your weather station is a few sensors cobbled together, so take each sensor one at a time and then integrate them to the ESP8266 using something like ESPHome.
Powering the setup may be where you spend a little time too, ESP8266’s not being too battery friendly. How was the unit powered before?
How did the unit display the results? Remote via a cable, wirelessly, and what connection protocol? Can you tap into that?
Reverse engineering is often easier than re-inventing the wheel.
Hello,
I just disassembled it it has only read contacts.
I also found a lot of information allready here, which is exactly my station
It there is no really hardware description
I will try it this way as I just have a esp8266 mini, and an ads1115
I will try this, with the yamml from mark
And connect the ads1115 to d1 and d2
I would suggest an ESP32… they’re don’t cost much more than an ESP8266.
The added benefit is hardware based ADC (analogue digital converter) and more processing for functions like ‘sliding window average’.
Let me know if you want help adapting my code for your station and needs.
You can do a statistics card for rain over 7 days (total per day).
You will need a statistics meter setup for your rain gauge to count the total per day and reset at midnight.
Statistics meter in Home Assistant takes the total rain your ESPhome code has, and makes it long-term. So HA will keep counting up if the ESP shuts off and forgets the total.
A statistics card:
type: statistics-graph
title: Rain – last 7 days
chart_type: bar
period: day
days_to_show: 7
stat_types:
- state
entities:
- sensor.rain_daily
Copy/paste that lovelace yaml code into a ‘manual’ when creating a card.
Click save. Then edit again, and you’ll see the normal visual editor.


