How to connect to IMMERGAS Magis Combo V2 / Magis Pro V2 heat pump via MODBUS into HA

I would like to connect HA system to IMMERGAS MAGIS COMBO 9 PLUS V2 heat pump using the MODBUS protocol.

Unfortunately, I haven’t found a suitable solution yet. Therefore, I’d like to create a group in this thread for those struggling with a similar problem. I’ll try to include information I think is useful and can move the topic forward.

SPLIT heat pump. Includes a Magis Combo Plus indoor unit and an Audax Pro 9 V2 outdoor unit.

Protocol Selection:
OpenTherm - According to the information collected, the heat pump does not support the OpenTherm / IMGBUS protocol (IMGBUS is implemented on pins 41-44; this model does not have pins 42, 43, or 44)

ON/OFF - You can connect a room thermostat to the heat pump by removing the bridge from contacts 40-1 (zone 1) and 41 (common)

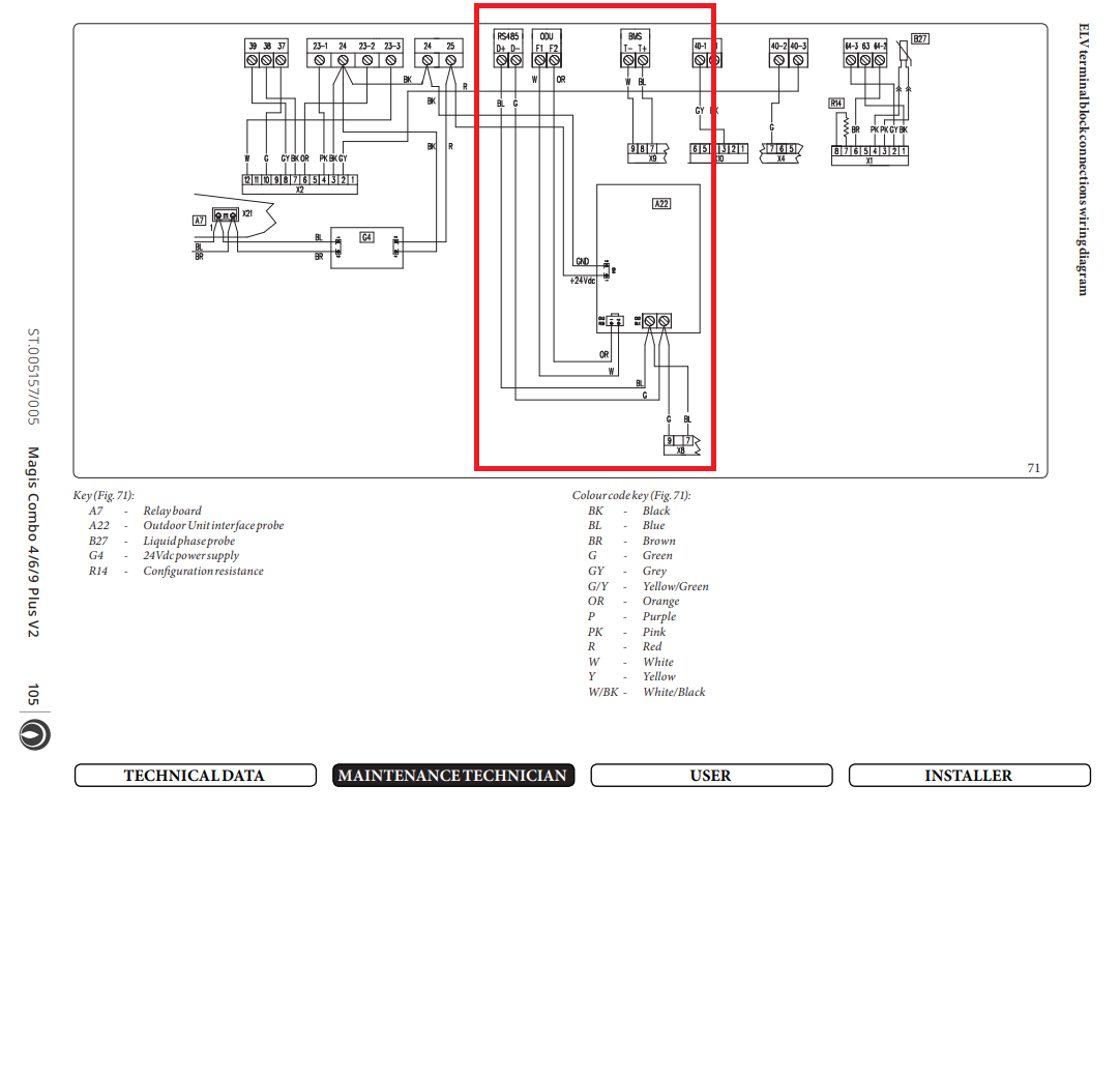
MODBUS - The heat pump supports the MODBUS protocol in the RS485 network. Connection via RS485 D+ and D- or BMS T- and T+ contacts. Power supply for additional module from -24 +25 contacts.

The Immergas Dominus Wi-Fi controller can be connected via the MODBUS protocol and controlled via the Immergas cloud. The Dominus driver cannot be integrated with anything. It can only be controlled via a smartphone app.

====================================

This brings us to the issue of heat pump integration via the MODBUS protocol. There’s no information online from Immergas describing the MODBUS protocol.

Based on my research, I am sharing what I have discovered. These findings or conclusions may contain errors.

  1. For communication we need an RS485 to HA gateway, e.g. WaveShare RS485 TO ETH (B)

  2. This blog link describes how to access the Immergas Magis Pro unit via RS485 and create a website with important temperature readings

https://yo5ptd.wordpress.com/2019/04/03/accessing-immergas-magis-pro-outer-unit-through-rs485-and-creating-a-webpage-with-the-important-temperature-readings/

According to the blog, the manufacturer of the outdoor unit is Samsung.
From my research, I believe that in this case, the Audax Pro 9 V2 outdoor unit is actually a Samsung AEX100EDEHA. Both units look similar and have similar power 9 kW and 10 kW.

https://www.samsung.com/uk/support/model/AEX100EDEHA/EU/

The user manual for the Samsung outdoor unit is very similar to the Immergas manual, with the difference that the Samsung manual is much richer in information regarding MODBUS.

https://www.manualslib.com/manual/3931202/Samsung-Aex100edeha.html#product-AEX100EDEHA

Additionally, Immerges only briefly describes something like an interface board that can be connected between the indoor and outdoor unit via MODBUS.

According to the manual from Samsung, this board resembles the Samsung MIM-B19N Modbus Central Control Interface
https://www.samsung.com/uk/support/model/MIM-B19N/

In this case, Samsung describes the Modbus Register Table.

Hi. I’m trying this too…
I guess that if you want to connect to the Magis Combo V2 you have to “act” like a Remote Control as at chapter 1.14 in this manual: https://www.immergas.com/media/Prodotto/63cc19303fdcb6a15d987897/MAGIS%20COMBO%204-6-9%20PLUS%20V2_001_013C5.pdf?ef=_ENG.pdf

I tried to connect like in the mentioned chapter, with a USB/RS485 Waveshare adapter, reading (with Modbus Poll) some addresses from 0 to 30 but I couldn’t get anything.

There is this post in Reddit. Maybe it could be useful: https://www.reddit.com/r/PLC/comments/1j2r6zu/heat_pump_modbus_help/?tl=it

Hi Alessandro,

First, you need to unscrew the plastic cover and check the address set on the MIM-19N board. Mine was originally set to 0. This meant Modbus communication was disabled. I set rotary switch SW1 to 1 and completely powered down both the indoor and outdoor units for about two minutes.

Then you can connect the RS485 module based on ESP32 according to the attached diagram

For integration you can use ESPHome / Home Assistant Samsung Heat Pump Integration from Beormund

In my case, the indoor and outdoor unit addresses are

devices:

  • address: 20.00.01
    id: nasa_device_1
  • address: 10.00.00
    id: nasa_device_2

and then add this module to Home Assistant

and then create a simple dashboard

Hi JoTu,
thanks for your clear instructions. I am now sucessfully connected to my Magis Combo 9 Plus V2. Unfortunately, some of the data, especially the set and current room temperature, display wrong numbers. Did you use only the registers in the example config from Beormund or some other ones?

Hi, I’m glad you managed to integrate the external unit with HA.

As you noticed, we have a stable connection, but it’s not perfect.
At this point, I have removed the second heating zone from the default configuration.
Unfortunately, I didn’t have time to delve further into it.

I don’t know about you, but my domestic hot water metering and setting aren’t working either. That’s probably because I have the indoor unit set to heat water year-round with gas, and then use the heat pump to heat the floor seasonally.

The energy production measurement also doesn’t work (the logs indicate an incorrect measurement unit for the HA), and the COP calculation doesn’t work either.

Furthermore, from what I’ve noticed, changes made in the HA, such as starting or stopping the compressor on the outdoor unit, do indeed work, but they aren’t visible on the indoor unit’s display.

From what I’ve noticed, the energy consumption measurement differs from the readings provided by the Shelly Pro EM-50A.

Unfortunately, the most important function, i.e., turning the unit off or on, and switching between winter and summer modes, is missing. This function currently only works with the Immergas Dominus.

My thoughts boil down to the fact that the outdoor unit is subordinate to the indoor unit. The Beormund integration only works on terminals F1 and F2 (i.e., “behind the indoor unit”), using a pure communication layer using the Samsung protocol. To properly integrate the Magis Combo Plus V2, I believe you need to look for a solution on the RS485 terminals (D+ D-) or BMS (T- T+).

Modbus communication instructions for Immergas gas boilers are available on the Czech website vipsgas.cz.

Here is an example of successful integration of the Victrix superior gas furnace

Modbus protocol specification for Victrix Superior 2021. Terminals D+ D-.

Modbus protocol specification for Victrix EXTRA. Terminals D+ D-.

Modbus protocol specification for Victrix PRO V2 EU. Terminals T- T+.

Here, for proper communication, a 120 ohm resistor is required to close the circuit.

Interestingly, the domestic hot water setting is read and changed via the Dominus module connected to terminals D+ and D-. This suggests that the indoor unit, including the gas furnace module, operates on the Immergas Modbus protocol, while the outdoor unit operates on the Samsung Modbus protocol.

I have decrypted modbus config files from Dominus app. Current version can be found in https://github.com/harykx/dominus

Local connection to Dominus interface is on tcp port 2000. In my case connection starts with sending authentification string 23 44 75 75 6e 56 71 75 49 69 72 31 33 73 53 49 3d 55 6e 31 33 75 32 32 75 72 4f (not sure if this is same for everyone or Dominus password based)

Then I can send requests and receive replys with the following structure:
buff[0] msg[0]
buff[1] PDU
buff[2] PDU
buff[3] HB
buff[4] LB
buff[5] CRC0
buff[6] CRC1

Example:
TX 00 10 67 00 00 0d 6b request number of zones pdu 4199
RX 40 10 67 00 01 0c 3a reply number of zones = 1
TX 00 07 d0 00 00 0c 6f request boiler status pdu 2000
RX c0 07 d0 00 03 0f 9c reply booiler status = 3 (0-off, 1-water,2-summer,3-winter)
TX 80 07 db 00 00 05 09 request room-temp-zn1 pdu 2011
RX c0 07 db 00 df 1d 2b reply room-temp-zn1 = 223 (22,3°C)
TX 00 07 df 00 00 13 df request room-temp-set-zn1 pdu 2015
RX c0 07 df 00 e1 0b da reply room-temp-set-zn1 = 225 (22,5°C)

Unfortunately integrating this into HomeAssistant is above my knowledge.