Need help with Nexia doorbell sensor (before I return it or burn it)

I purchased a Nexia Z-Wave Doorbell sensor to get notification and create automation based on when the doorbell button is pressed.
I already have a Z-Wave setup (Aeotec ZW090 Z-Stick Gen5).

Adding the sensor in my Z-Wave network worked well and I got all entities in HA but after connecting it following the manual, it just doesn’t trigger…

The ONLY sensor that changes is the “power management” when I close the doorbell breaker and turn it back on. When I press the doorbell, nothing moves… no log.
sensors

My doorbell chime kit is:
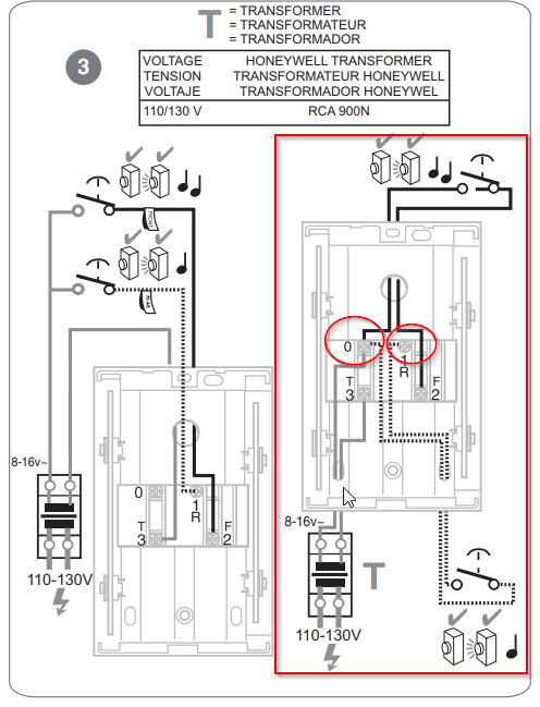
https://yourhome.honeywell.com/en/products/doorbells-wired/wired-chime-contractor-kit-with-transformer

Based on my setup, on the Nexia manual (http://www.nexiahome.com/wp-content/uploads/2015/11/Doorbell-Sensor-Installation-Guide.pdf), and the Honeywell chime manual, I connected the red wire to 0 and white wire to 1R on the Honeywell chime.
nexia

And I checked the voltage at the button and at the chime; it’s between 18-20v (so more than 14v as required by Nexia)

Any hint on what’s going on or if I made a mistake somewhere? I’m desperate…

I have the device, never got it working because my voltage is only 10. I was always under the impression that power management is what would update when the bell is pressed, not the on/off. Are you sure your wires aren’t backward?

well, red on transformer and white on the button… I can try reversing it I guess…
Since my voltage is 18-20v, I don’t think that’s my issue…

Power management one is one when it detects power and off when there is no power…
If I understand this correctly, it should trigger when there is a variation in the voltage (when the button is pressed…)
I only have two hands so couldn’t test voltage when button is pressed…

I’ll try reversing the wires, and see if it makes any difference…

Yeah, I was pissed with the device because the voltage threshold is burried in the documentation and they don’t really spell it out for the consumer. I wrote a pretty terrible review. The device is meant for businesses or home, yet the current home standard is to use a 16v transformer to supply power to the doorbell ring. If your transformer under performs, it won’t supply the correct voltage to the doorbell chime. Chime will still work but the device will not. Super annoying. Anyways, I digress.

If you keep the device the way it is, watch the ozw log when you press the doorbell. It should be creating an ozwave event. If it does, chances are you just need to change the reporting type for the device in the zwave configuration. If it doesn’t, you probably have it wired wrong.

Tried reversing it, tried all possible combinations on the Honeywell chime, etc…
The only value that ever change is the power management when it detect power.
And I have 18v on button…
Tried using the second button also.
I even tried removing the lighted button and test by touching the button wires together. (in case the light was the issue)

At this point, with all that have been tested, my guess would be it’s defective or doesn’t support my Chime configuration (as shown above in red square)…

not sure how I could have it wired it wrong…
Any other idea?

Are you looking in the open z wave log? Not to be confused with the HA log.

Yes, besides the power management one when it detects power (breaker off/on), no other logs on this node when pressing the button…
Any idea what technically triggers it? Change in voltage? how much change would be the minimum to trigger it?

The other aspect I remember is that doing a simple quick press on the doorbell only resulted in a voltage spike. Have you tried holding the button for a full second?

I’ll try…
Did this voltage spike generate any Z-Wave logs?

I’m starting to wonder if my voltage tester is defective because it would make sense if my voltage would be too low…

Has anyone seen this one before? It connects directly to wifi so it doesn’t need a hub. Also open source which would make it pretty easy to get it to just about anything you want. Th input voltage looks like it works with lower voltage systems https://www.fireflyelectronix.com/product/wifidoorbell

I just got this one and so far it works. It’s using mqtt.
Never used mqtt before so not done 100% testing yet but at least it worked right away after setting it up compared to the zwave one.

which device was this? I’m about to chuck this one in the dumpster. I haven’t moved it off the wall because there will be a hole.

This one as well https://www.fireflyelectronix.com/product/wifidoorbell
I struggled a bit with the connections to my existing doorbell but I setup the MQTT first with the automation in HA to notify me so I was able to test each connection in my chime module to finally find which ones needed to be connected…
MQTT was the other challenge since I have zero knowledge in that so I had to read up, setup a broker, etc… but it worked.
The only issue I have is that every time I restart HA, it triggers it, but I’ll create a post asking about that, I have seen something about MQTT “” retain: “” arguments but have no clue what this is…

the device doesn’t change states in the topic? You may need to make a template sensor and build automations off that instead of the mqtt sensor.

No I don’t think so… As far as I can tell you, it just sends the topic I setup in it and in HA there is the MQTT trigger from my automation…
Could you provide more detail on how to create a template sensor for it? No sure how to use it for this…

So when it sends to the topic, it sends the same value each time? And it doesn’t change the value after the press?

yes, that is what is happening I think. although, not sure how to monitor what it sends everyt time… I’m presuming

I mean, it would just be the value in the sensor depending on how it was set up. It seems as if you’d need to update the topic to another value after you send your notification.

so the topic on the server just stores the info.

sensor -> sends ring to topic
home assistant sees ring, notifies you -> sends not ring to topic

a little lost honestly…
Let me describe my setup, it might help…

First, I setup the doorbell:

I configured the broker, port and “ha/doorbell/notify” for the topic.

in HA, I setup this automation:

- id: '1552933754824'
  alias: Notification - sonnette porte
  trigger:
  - platform: mqtt
    topic: ha/doorbell/notify
  condition: []
  action:
  - data:
      message: ding dong! Ça sonne à la porte!
      title: Home Assistant - sfHome
    service: notify.pushover_sylvain
  - data:
      delay: 00:00:05
      message: Ding dong! Ça sonne à la porte!!
      sonos_entity: media_player.bureau
      volume: '0.3'
    service: script.sonos_say

Following the doc, I setup the battery sensor:

#Doobell MQTT battery  
  - platform: mqtt
    state_topic: "ha/doorbell/notify"
    value_template: '{{value_json.batt}}'
    unit_of_measurement: "Volts"
    name: "Batterie sonnette MQTT"  

that one works fine.

I tried setting up a binary sensor but it just switches on / off every time it’s triggered (or rebooted), not really helpful…

#Sonette de porte
  - platform: mqtt
    name: Sonnette porte
    state_topic: "ha/doorbell/notify"
    value_template: "{%if is_state(entity_id,\"on\")-%}OFF{%-else-%}ON{%-endif%}"

So what could I do after that about this template sensor you’re suggesting?

yeah, basically, evey time I turn the automation off and back on, it triggers it the way I’m setup…