Sanyo air conditioner

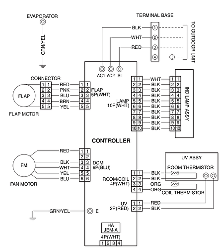
I have a sanyo air conditioner sap-krv186eh. In the wiring diagram, there is a 4 pin home automation connector. Maybe it is for 5V,Gnd, Rx and Tx. I could not find any documentation. Any idea what it is? It seems that “JEMA HA terminal” is some standard thing!? It is explained here: JEMA端子HA端子JEM1427端子
and here
家庭用エアコンに付いてたJEM-A HA端子をHomeKitから使う | DIY Smart Matter

(Sanyo is now Panasonic and these devices are no longer produced. IR commands do not work since IR protocol is encrypted)

Hi.

I have a pair of Mitsubishi Heavy Industries Indoor Units that also have this type of connector.

Best Regards.

Did you manage to advance with your devices?
I’m planning to connect some sort of ESP or similar to these connectors.

I gave up.
But on the page

there is the arduino code for the ESP32.

2 Likes

Look for the CNS connector. That’s the one that sends out data.

Thank you, but the CNS socket is 5-pin while the JEM-A socket only has 4 pins.
Or am I missing something?

Unfortunately your MHI also has 6 pin CNS port (instead of 5) like mine which is not compatible for this

@jms3000 adruino method is intriguing however it seems to be limited to only turning it on and off only

I see a 6-pin connector, but it is labeled as CNC, not CNS.

See another picture from my pcb:


Also, I disconnected a cable from this socket, just to be able to extract the pcb. I mean: it was not available in the first place.

What intrigues me is that JEM-A is only able to turn on/off…
Best Regards.

EDIT:

Ok., Reading this link (already posted by OP in 2023, I understand).

Only on/off and monitoring of on/off status.

I’ll try to investigate the possibility to replace the IR remote interface for an standarf seral interface…

Hello from Tokyo. I also found these JEM-A terminals on my Rinnai Floor Heating remote controls, designed for home automation. JEM-A only supports turning a device ON or OFF (by shorting the two Control pins). The status of the device is on the Monitor pins (5v). I used optocouplers to link the JEM-A to an ESP32 (copied directions from this post: 電気錠のJEM-A端子にESP32を接続してHomebridge / HomeKitで使う | DIY Smart Matter). Works really well! See also extract from Rinnai’s user manual (in Japanese, however).

1 Like